| Refer to Figs. 1 through 3 for wiring diagrams. |
Wire Color Code Identification
|
|
|
|
|
|
|
|
|
|
|

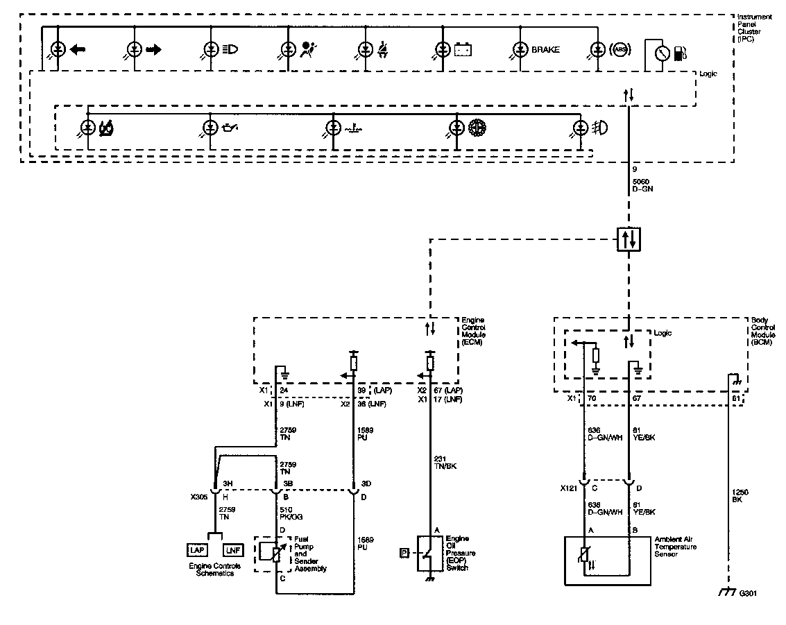
Fig. 1 Instrument cluster wiring diagram
Relearn Procedures
Wheel AlignmentChevrolet Cobalt Owners Manual. Adding Equipment to Your Airbag-Equipped Vehicle
Q: Is there anything I might add to or change about
the vehicle that could keep the airbags from
working properly?
A: Yes. If you add things that change the vehicle's
frame, bumper system, height, front end or side
sheet metal, they may keep the airbag system from
working properly. Changing or ...